Фильтры
Сбросить

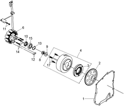
Прокладка правой крышки картера двигателя SYM ATV 300, арт. 11394-RB1-003

Артикул : 11394-RB1-003

Прокладка правой крышки картера двигателя SYM ATV 300, арт. 11394-RB1-003

Артикул : 11394-RB1-003

О товаре

11394RB1003

Описание

Бренд SYM
Производитель SYM parts
Тип товара Прокладка
Модель Unknown
цена
481 ₽
Товар находится на складе дистрибьютора, но Вы можете заказать его на сайте дилера
Подобрать аналоги