Фильтры
Сбросить

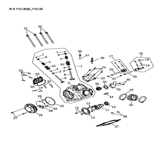
Подбор запчастей Access Motor QR 700 Головка цилиндра

Наименование
Артикул
Кол-во в узле
Цена
Наличие
Аналоги
12201-E20-000
1
2
14776-E20-000
4
3
14736-E20-000
4
5
14771-E20-000
4
6
91000-08042Z
4
10
95100-60/22Z
1
12
91735-06014B
2
13
25101-E20-001
1
14
91930-072023-10Z
2
15
25303-E20-000
1
16
25305-E20-000
1
17
25306-E20-000
4
18
25307-E20-000
4
19
25310-E20-000
2
20
93405-RTW12
2
21
96200-830030
2
22
12210-E20-000
2
23
91700-06020-08Z
8
24
96200-994031
1
25
91700-06020-08Z
2
27
91700-06012-08C-1
2
29
91750-10135-12Z
2
30
91750-10145-12Z
2
31
91760-06030-05Z
2
32
15305-E12-200
1
35
91700-06020-08Z
2
36
94001-140160
2
38
98069-CR8E-000
1
39
91700-10012-12C
1
40
97414-070090
1
43
14735-E20-000
4
45