Фильтры
Сбросить

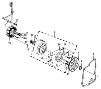
Подбор запчастей SYM ATV 200 Двигатель Генератор

Наименование
Артикул
Кол-во в узле
Цена
Наличие
Аналоги
28120-M4Q-000
1
5
90004-M9Q-000
3
11
91101-X06-000
3
14
93500-05016-0A
1
27
15
93500-05035-0A
3
27
16