Фильтры
Сбросить

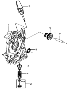
Подбор запчастей SYM Mio 50 (HU05W-T) Двигатель Правая крышка картера