Фильтры
Сбросить

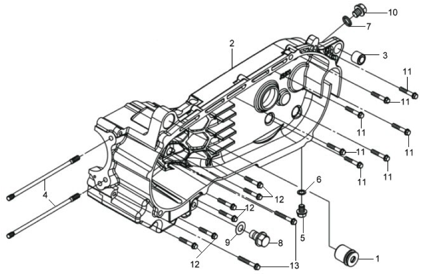
Подбор запчастей SYM GTS 250 (LM25W-6_edited) Двигатель Левая половина картера

Наименование
Артикул
Кол-во в узле
Цена
Наличие
Аналоги
11200-HMA-000
1
2
90474-M9Q-000
1
15
6
Шайба 8мм 90474-333-000-KD
90474-333-000-KD
1
39
Шайба 8мм 90474-333-000
90474-333-000
1
12
96001-06070-08
2
13