Фильтры
Сбросить

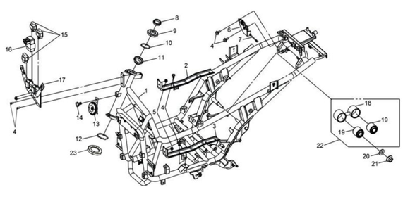
Подбор запчастей SYM CityCom 300 (LH30W-6) Кузов/Электрика Рама

Наименование
Артикул
Кол-во в узле
Цена
Наличие
Аналоги
50100-LEA-000
1
1
50620-LEA-000
1
2
50621-LEA-000
1
3
77230-LEA-000
1
6
77240-LEA-000
2
7
3850A-HLA-000
3
661
15
Реле 3850A-HLA-100-A2
3850A-HLA-100-A2
3
847
Реле 3850A-HLA-010
3850A-HLA-010
3
1 035
50381-LEA-000
2
18
94103-12800
4
47
20