Фильтры
Сбросить

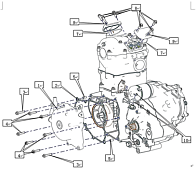
Подбор запчастей Двигатели ZS194MQ (NC450)

скачать схему excel

Введите VIN номер техники

Что такое VIN

VIN это английская аббревиатура слов Vehicle Identification Number, переводится как: идентификационный номер транспортного средства. VIN состоит из 17 знаков, это арабские числа и латинские буквы, которые сообщают год выпуска, информацию о заводе-производителе, основные характеристики ТС.

*Сервис находится в режиме тестирования.

Ошибка:

При вводе были использована некорректные символы. Пожалуйста используйте при вводе VIN номера техники только арабские числа и латинские буквы.